Accueil | Aller sur le site du Mathemarium
Almanach

5 février 1850

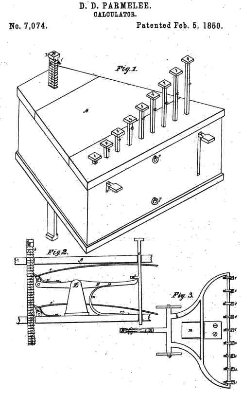
Premier brevet US pour une additionneuse à touches

Dubois D. Parmelee publie le premier brevet U.S (#7074). pour une additionneuse à touche.

Toutefois, une additionneuse à touches avait déjà été brevetée dès 1944 (N° de brevet 623) par Jean-Baptiste Schwilgué, architecte horloger de la troisième horloge astronomique de la cathédrale de Strasbourg.

 Brevet de D.D Parmelee
 L’additionneuse de Schwilgué



SPIP